圍欄與防護系統(tǒng)
圍欄L形地腳安裝板
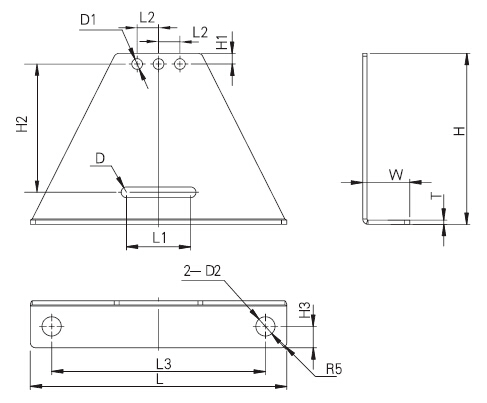
描述:
圍欄L形地腳安裝板
|
L |
L1 |
L2 |
L3 |
H |
H1 |
H2 |
H3 |
T |
D1 |
D2 |
D |
W |
訂貨號 |
| 180 | 70 |
15 |
150 |
120 |
10 |
80 |
12 |
4 |
10 |
18 |
10 |
34 |
CE-DL120 |
|
240 |
70 |
20 |
200 |
160 |
10 |
120 |
20 |
4 |
10 |
18 |
10 |
44 |
CE-DL160 |












