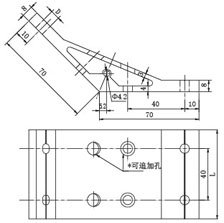
135°型材角件
135°型材角件 40系列 長70mm 寬36mm 76mm
描述:
135°型材角件 40系列 長70mm 寬36mm 槽8 訂貨號:CE-L7070-4036
| 適用型材 | 40* |
| 材料 | 6063-T5 |
| L(mm) | 36 |
|
D(mm) |
8.5 |
|
用途:常用于型材與型材135度斜角連接,起支撐作用,材質為擠壓鋁型材,L的長度最長可達6米,側面能攻絲,可用于安裝封板 |
|

135°型材角件 40系列 長70mm 寬76mm 槽8 訂貨號:CE-L7070-4076
| 適用型材 | 80* |
| 材料 | 6063-T5 |
| L(mm) | 76 |
|
D(mm) |
8.5 |
|
用途:常用于型材與型材135度斜角連接,起支撐作用,材質為擠壓鋁型材,L的長度最長可達6米,側面能攻絲,可用于安裝封板 |
|












